rozvaděč AC EKONOM AC E 160 FVE nad 100kWp 1x100kW
- AC výkon střídače do 1x 100kW / 160A
- Ekonomické řešení pro FVE nad 100kWp
- Včetně UF ochrany a analyzátoru PLA33RXDL
- Základní signály pro RTU o stavu rozpadového místa
- DC zdroj pro monitoring a komunikaci s FVE
- Kvalitní oceloplechová rozvodnice IP 65
- STOP relé pro odpojení AC i DC strany
- Napěťová cívka pro odpojení hlavního vypínače
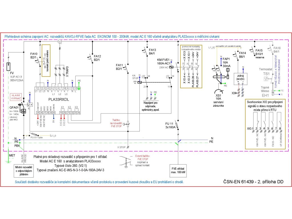
Rozvaděče řady AC EKONOM vhodné pro FVE nad 100kWp, jsou opatřeny základními funkcemi potřebnými pro FVE nad 100kWp. Pro náročnější instalace doporučujeme použít řadu rozvaděčů ACS se sběrnicovým systémem s možností rozšířených funkcí.
Varianta skladového modelu AC E 160 je vhodná pro FVE o výkonu nad 100kWp s jedním střídačem. Jako UF ochrana je použit analyzátor PLA33xxxx za příplatek lez dodat včetně o ověření souladu pro provoz s výrobními moduly B1. Svorkovnice XIO se základními signály pro digitální vstupy RTU. Dále je v rozvaděči připraven DC zdroj pro napájení, monitoring a komunikaci s FVE, případně pro podružné RTU.
Na objednání nabízíme i ve variantě XL s větší rozvodnicí, kde je více místa pro umístění ovládání a komunikace s FVE (š600*v1000*h260)
Průmyslový model AC rozvaděče v kvalitním provedení s ocelovou rozvodnici IP65.
Model AC E 160
Typové číslo 260
Typové značení AC-E-WS-N-3-1-0-0A-160A-24V-3
- 1x Stykač 160A pro odpojení FVE
- Napěťová a frekvenční ochrana PLA33xxxx
- Měřící cívky 5A/200A
- Jistič na hlavním přívodu MC2 160A
- Jištění výstupu od střídače 3x160A
- AC svodič přepětí VPU I 300V/12,5 KA
- Příprava pro připojení externího STOP tlačítka
- STOP tlačítko na rozvaděči
- STOP relé pro odpojení AC i DC strany
- Napěťová cívka pro odpojení hlavního přívodu
- Zdroj 24VDC PS2M 30W a svorkovnice X24
- Prostor pro osazení monitoringu a ovládání FVE
- Svorkovnice XIO, beznapěťové kontakty pro digitální vstupy
- Jištěný přívod 4A - napájení pro DC odpínače napojený na stop relé
- Servisní zásuvka s kombinovaným jističem B16A / 30mA
- Reserva - jistič B10/1 (např. pro připojení AXY)
- Sada pro vyhřívání rozvaděče, za příplatek
Rozvaděče jsou řádně odzkoušeny a zkontrolovány. Součástí dodávky je EU prohlášení o shodě, kompletní elektrické schéma, uživatelský manuál a protokol o provedené kusové zkoušce.
Rozvaděč obsahuje analyzátor s UF ochranou PLA33xxxx v souladu s aktuálními připojovacími podmínkami pro výrobní moduly B1 a FVE nad 100kWp.
Bližší informace najdete v přehledném schématu zapojení, pdf ke stažení v sekci související soubory.
Doplňkové parametry
| Kategorie: | Rozvaděče pro fotovoltaiku |
|---|---|
| Záruka: | 2 roky |
| Hmotnost: | 46 kg |
| ? AC svodič přepětí: | ANO |
| Ochrana PLA33RXxxx: | ANO |
| ? Výkon fotovoltaiky: | nad 100 kWp |
| ? Jmenovitý proud AC: | 160A AC |
| Jmenovité napětí AC: | 230/400 V AC |
| Stupeň krytí IP: | IP65 |
| Celkové rozměry: | š600 x v800 x h260 |
| Norma: | ČSN EN 61439-2, příloha DD |
Diskuze
Buďte první, kdo napíše příspěvek k této položce.
