rozvaděč AC EKONOM AC E 300 FVE nad 100kWp 1x 100kW, 1x 50kW, 1x30kW
- AC výkon střídače do 1x100kW + 1x50kW + 1x30kW/300A
- Ekonomické řešení pro FVE nad 100kWp
- Včetně UF ochrany a analyzátoru PLA33RXDL
- Základní signály pro RTU o stavu rozpadového místa
- DC zdroj pro monitoring a komunikaci s FVE
- Kvalitní oceloplechová rozvodnice IP 65
- STOP relé pro odpojení AC i DC strany
- Napěťová cívka pro odpojení hlavního vypínače
Rozvaděče řady AC EKONOM vhodné pro FVE nad 100kWp, jsou opatřeny základními funkcemi potřebnými pro FVE nad 100kWp. Pro náročnější instalace doporučujeme použít řadu rozvaděčů ACS se sběrnicovým systémem s možností rozšířených funkcí.
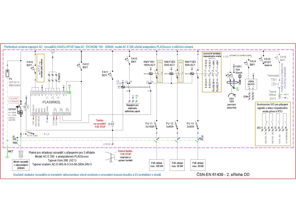
Varianta skladového modelu AC E 300 je vhodná pro FVE o výkonu do cca 180kWp se třemi střídači. Jako UF ochrana je použit analyzátor PLA33xxxx, za příplatek lze dodat včetně měřícího protokolu a ověření souladu ochran s výrobními moduly B1. Svorkovnice XIO se základními signály pro digitální vstupy RTU. Dále je v rozvaděči připraven DC zdroj pro napájení, monitoring a komunikaci s FVE, případně pro podružné RTU.
Průmyslový model AC rozvaděče v kvalitním provedení s ocelovou rozvodnici IP65.
Model AC E 300
Typové číslo 266
Typové značení AC-E-WS-N-3-3-0-0A-300A-24V-3
- 3x stykač, 160A + 80A + 60A pro odpojení FVE
- Napěťová a frekvenční ochrana PLA33xxxx
- Měřící cívky 5A/300A
- Jistič na hlavním přívodu MC2 300A
- Jištění výstupu od střídačů 3x 160A + 3x 80A + 3x 50A
- AC svodič přepětí VPU I 300V/12,5 KA
- Příprava pro připojení externího STOP tlačítka
- STOP tlačítko na rozvaděči
- STOP relé pro odpojení AC i DC strany
- Napěťová cívka pro odpojení hlavního přívodu
- Zdroj 24VDC PS2M 30W a svorkovnice X24
- Prostor pro osazení monitoringu a ovládání FVE
- Svorkovnice XIO, beznapěťové kontakty pro digitální vstupy
- Jištěný přívod 4A - napájení pro DC odpínače napojený na stop relé
- Servisní zásuvka 230V s kombinovaným jističem B16A / 30mA
- Reserva - jistič B10/1 (např. pro připojení AXY)
- Sada pro vyhřívání rozvaděče, za příplatek
Rozvaděče jsou řádně odzkoušeny a zkontrolovány. Součástí dodávky je EU prohlášení o shodě, kompletní elektrické schéma, uživatelský manuál a protokol o provedené kusové zkoušce.
Rozvaděč obsahuje analyzátor s UF ochranou PLA33xxxx v souladu s aktuálními připojovacími podmínkami pro výrobní moduly B1 a FVE nad 100kWp.
Bližší informace najdete v přehledném schématu zapojení, pdf ke stažení v sekci související soubory.
Doplňkové parametry
| Kategorie: | Rozvaděče pro fotovoltaiku |
|---|---|
| Záruka: | 2 roky |
| Hmotnost: | 75 kg |
| ? AC svodič přepětí: | ANO |
| Ochrana PLA33RXxxx: | ANO |
| ? Výkon fotovoltaiky: | nad 100 kWp |
| ? Jmenovitý proud AC: | 300A AC |
| Jmenovité napětí AC: | 230/400 V AC |
| Stupeň krytí IP: | IP65 |
| Celkové rozměry: | š800 x v1200 x h300 |
| Norma: | ČSN EN 61439-2, příloha DD |
Diskuze
Buďte první, kdo napíše příspěvek k této položce.
